Komatsu Crawler Dozers D31EX-21, D31PX-21, D37EX-21, D37PX-21 Workshop Service Manual


Product picture Komatsu Crawler Dozers D31EX-21, D31PX-21, D37EX-21, D37PX-21 Workshop Service Manual

14.95 USD

Buy button

Original Illustrated Factory Workshop Service Manual for Komatsu Crawler Dozers D31, D37.

Original factory manuals for Komatsu Loaders, Dozers, Excavators contains high quality images, circuit diagrams and instructions to help you to operate, maintenance and repair your truck. All Manuals Printable, contains Searchable Text and Navigation Bookmarks

Covered models:
D31EX-21 50001 and up
D31PX-21 50001 and up
D37EX-21 5001 and up
D37PX-21 5001 and up

Format: PDF, 407 Pages
Language: English

Contents:
GENERAL
SPECIFICATION DRAWING
SPECIFICATIONS
WEIGHT TABLE
TABLE OF FUEL, COOLANT AND LUBRICANTS
STRUCTURE AND FUNCTION, MAINTENANCE STANDARD
COOLING SYSTEM
ENGINE CONTROL
POWER TRAIN
POWER TRAIN SYSTEM
HST HYDRAULIC EQUIPMENT ARRANGEMENT DIAGRAM
STEERING, BRAKE CONTROL
DAMPER
SOLENOID VALVE
FINAL DRIVE
HST PUMP
SAFETY-SUCTION VALVE
CUT-OFF VALVE
CHARGE SAFETY VALVE
CHARGE PUMP
HST BRAKE QUICK RETURN CIRCUIT
TOWING VALVE
PARKING BRAKE VALVE
AS VALVE
HST MOTOR
STEERING, DIRECTIONAL PPC VALVE
INCHING VALVE
AUTOMATIC GEARSHIFTING VALVE
FRAME ASSEMBLY
TRACK FRAME, RECOIL SPRING
IDLER
TRACK ROLLER
CARRIER ROLLER
SPROCKET
TRACK SHOE
ARRANGEMENT OF HYDRAULIC EQUIPMENT FOR WORK
EQUIPMENT
WORK EQUIPMENT CONTROL
HYDRAULIC TANK, FILTER
HYDRAULIC PUMP
WORK EQUIPMENT CYLINDER
CONTROL VALVE
CLSS
WORK EQUIPMENT PPC VALVE
WORK EQUIPMENT
CUTTING EDGE, END BIT
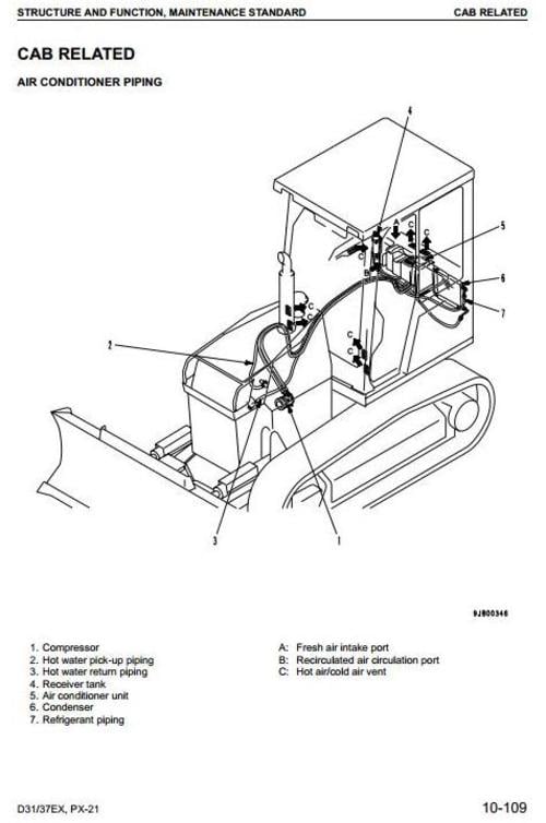
CAB RELATED
SAFETY MECHANISM WHEN STARTING ENGINE
GEARSHIFT CONTROL SYSTEM
PARKING BRAKE CONTROL SYSTEM
COMPONENT EQUIPMENT OF SYSTEM
MONITOR SYSTEM
SENSORS .
TESTING AND ADJUSTING
STANDARD VALUE TABLE
STANDARD VALUE TABLE FOR ENGINE
STANDARD VALUE TABLE FOR CHASSIS
STANDARD VALUE TABLE FOR ELECTRICAL SYSTEM
TESTING AND ADJUSTING
TROUBLESHOOTING
DISASSEMBLY AND ASSEMBLY
OTHERS
HYDRAULIC CIRCUIT DIAGRAM (1/2)
D31EX-21 Serial No50001 50097
D31PX-21 Serial No50001 50181
D37EX-21 Serial No5001 5104
D37PX-21 Serial No5001 5090
HYDRAULIC CIRCUIT DIAGRAM (1/2)
D31EX-21 Serial No50098 and up
D31PX-21 Serial No50182 and up
D37EX-21 Serial No5105 and up
D37PX-21 Serial No5091 and up
HYDRAULIC CIRCUIT DIAGRAM (2/2)
HYDRAULIC CIRCUIT DIAGRAM (2/2) (For D37EX, PX-21 EU spec.)
ELECTRICAL CIRCUIT DIAGRAM (1/2)
ELECTRICAL CIRCUIT DIAGRAM (2/2)
ELECTRICAL CIRCUIT DIAGRAM FOR AIR CONDITIONER .




Keywords: d37px-21;d37ex-21;d31px-21;d31ex-21
File Size: 84.6 MBytes

Buy button
Do you want to become a reseller/affiliate and get 10.0% provision?
Embed: Create JavaScript Mobile Tag Widgets for your homepage
Komatsu Crawler Dozers D31EX-21, D31PX-21, D37EX-21, D37PX-21 Workshop Service Manual Komatsu Crawler Dozers D31EX-21, D31PX-21, D37EX-21, D37PX-21 Workshop Service Manual d37px-21;d37ex-21;d31px-21;d31ex-21 280052450 14.95 belgreen Fresh Download Available!