Komatsu Crawler Dozers D575A-3 sn:10101 and up Workshop Service Manual


Product picture Komatsu Crawler Dozers D575A-3 sn:10101 and up Workshop Service Manual

14.95 USD

Buy button

Original Illustrated Factory Workshop Service Manual for Komatsu Crawler Dozers D575.

Original factory manuals for Komatsu Loaders, Dozers, Excavators contains high quality images, circuit diagrams and instructions to help you to operate, maintenance and repair your truck. All Manuals Printable, contains Searchable Text and Navigation Bookmarks

Covered models:
D575A-3 sn:10101 and up

Format: PDF, 866 Pages
Language: English

Contents:
01 GENERAL
Specification drawing
Specifications
Weight table
Table of fuel, coolant and lubricants
10 STRUCTURE AND FUNCTION, MAINTENANCE STANDARD
Radiator, oil cooler
Engine control
Power train system
Power train skelton
Power train hydraulic piping
Damper
Torque converter, PTO
Torque converter valve
Torque converter lock-up control system
Torque converter filter
Transmission control
Transmission
Transmission control valve
Lubrication relief valve
Steering clutch, brake control
Steering control valve
Steering clutch, steering brake
Final drive
Track frame
Idler
Carrier roller
Track roller
Track shoe
Recoil spring
Track roller bogie
Suspension
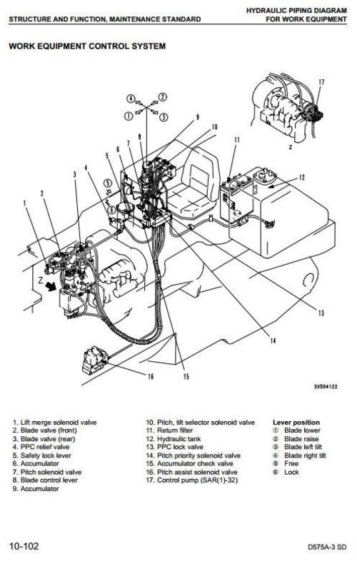
Hydraulic piping diagram for work equipment
Centralized oil pressure detection
piping diagram
Hydraulic tank
Pitch, tilt selector solenoid valve assembly
PPC valve
Safety lock valve,
PPC accumulator
PPC relief valve
Main control valve
Pitch selector solenoid valve
Pitch priority solenoid valve
Pitch assist solenoid valve
Blade control knob
Piston valve
Quick drop valve
Work equipment cylinder
Cylinder stay, yoke
Work equipment
Counterweight
Air conditioner
Engine control system
Engine control system with electronic engine throttle controller
Monitor system
Sensor
Mode selection system
Blade control system
Actual electrical wiring diagram
20 TESTING AND ADJUSTING
Standard value table for engine
Standard value table for chassis
Standard value table for electrical related parts
Testing and adjusting
Troubleshooting
30 DISASSEMBLY AND ASSEMBLY
90 OTHERS
POWER TRAIN HYDRAULIC CIRCUIT DIAGRAM
HYDRAULIC CIRCUIT DIAGRAM FOR
WORK EQUIPMENT
ELECTRICAL CIRCUIT DIAGRAM




Keywords: service manual;d575a-3;komatsu;workshop
File Size: 31.1 MBytes

Buy button
Do you want to become a reseller/affiliate and get 10.0% provision?
Embed: Create JavaScript Mobile Tag Widgets for your homepage
Komatsu Crawler Dozers D575A-3 sn:10101 and up Workshop Service Manual Komatsu Crawler Dozers D575A-3 sn:10101 and up Workshop Service Manual service manual;d575a-3;komatsu;workshop 280058430 14.95 belgreen Fresh Download Available!