Mitsubishi Diesel Forklift Truck: FD100NZ, FD120NZ, FD135NZ, FD150ANZ Workshop Service Manual


Product picture Mitsubishi Diesel Forklift Truck: FD100NZ, FD120NZ, FD135NZ, FD150ANZ Workshop Service Manual

29.00 USD

Buy button

Original Illustrated Factory Workshop Service Manual for Mitsubishi Diesel Forklift Truck.

Original factory manuals for Mitsubishi Lift Trucks contains high quality images, circuit diagrams and instructions to help you to operate, maintenance and repair your truck. All Manuals Printable, without restrictions, contains Searchable Text and bookmarks

Covered models:
FD100NZ (F15DE-60001-up)
FD120NZ (F15DE-60001-up)
FD135NZ (F15DE-60001-up)
FD150ANZ (F24BE-60001-up)

Format: PDF, 551 Pages
Language: English
Contents:
Chapter 1 GENERAL INFORMATION
1. Model View
2. Applicable Truck Model
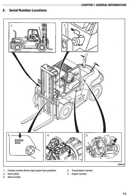
3. Serial Number Locations
4. Technical Data
4.1 Dimensions
4.2 Performance
Chapter 2 COOLING SYSTEM
1. Specifications
2. Structure
3. Removing Radiator and Intercooler
3.1 Preparation
3.2 Removal Sequence
3.3 Suggestions for Removal
4. Inspection and Adjustment of Radiator and Intercooler
4.1 Intercooler
4.2 Inspecting Fan Belt
4.3 Radiator
4.4 Antifreeze and Cooling Water
5. Installing Radiator and Intercooler
5.1 Suggestions for Installation
6. Troubleshooting
6.1 Service Data
Chapter 3 ELECTRICAL SYSTEM
1. Specifications
2. Chassis Electrical Devices and Wiring Outline.
2.1 Relay Box
3. Structure
3.1 Console Box
3.2 Function of Meter Panel
3.3 Side Panel
3.4 Key Switch (Anti-Restart Switch)
3.5 Combination Switch
3.6 Fuse Box Connection Table (Chassis)
4. Disassembling Console Box
4.1 Preparation
4.2 Disassembly Sequence
5. Reassembling Console Box
6. Battery and Maintenance
6.1 Electrolyte Specific Gravity (S.G.) and Charging Adjustment
6.2 Electrolyte Specific Gravity and State of Charge
6.3 Precautions for Charging Battery
6.4 Precautions to Handle Alternator Charging System
7. Troubleshooting
7.1 Starter System
7.2 Gauges
7.3 Lighting System
7.4 Alarm Unit
7.5 Battery
8. Electrical Schematic
Chapter 4 CONTROLLERS
1. Outline
1.1 System Configuration
1.2 Color coding
1.3 Controller External View
2. Service Tool Functions
2.1 Menu structure
2.2 Input Monitor and Output Monitor
2.3 Fault Status
2.4 Fault History
3. Error Code List
4. Troubleshooting
4.1 General Precautions
4.2 VCM-3 Memory Check Error (F01)
4.3 VCM-3 Battery Voltage Error (F02)
4.4 VCM-3 Communication Error (F03)
4.5 MP Communication Error (F07)
4.6 Lift Lever Neutral Error (F10)
4.7 Tilt Lever Neutral Error (F11)
4.8 Attachment 1 Lever Neutral Error (F12)
4.9 Attachment 2 Lever Neutral Error (F13)
4.10 Attachment 3 Lever Neutral Error (F14)
4.11 Shift Lever Error (F16)
4.12 Vehicle Speed Error (F17)
4.13 Lift Lever Error (F20)
4.14 Tilt Lever Error (F22)
4.15 Attachment 1 Lever Error (F24)
4.16 Attachment 2 Lever Error (F26)
4.17 Attachment 3 Lever Error (F28)
4.18 Joystick Lever Error (F29)
4.19 VCM-3 Sensor Voltage Error (F31)
4.20 Vehicle Speed Sensor Error (F34)
4.21 Output Unit Error (F41)
4.22 Output Unit Life Control Signal (F42)
4.23 Output Unit Memory Check Error (F43)
4.24 Output Unit PWM Voltage Error (F44)
4.25 Output Unit Communication Error (F45)
4.26 Input Unit Error (F46)
4.27 Input Unit Life Control Signal (F47)
4.28 Input Unit Memory Check Error (F48)
4.29 Input Unit Communication Error (F49)
4.30 Lift Up Solenoid Error (F50)
4.31 Lift Down Solenoid Error (F52)
4.32 Lift Solenoid Leak (F54)
4.33 Tilt Forward Solenoid Error (F55)
4.34 Tilt Backward Solenoid Error (F57)
4.35 Tilt Solenoid Leak (F59)
4.36 Attachment 1A Solenoid Error (F60)
4.37 Attachment 1B Solenoid Error (F62)
4.38 Attachment 1 Solenoid Leak (F64)
4.39 Attachment 2A Solenoid Error (F65)
4.40 Attachment 2B Solenoid Error (F67)
4.41 Attachment 2 Solenoid Leak (F69)
4.42 Attachment 3A Solenoid Error (F70)
4.43 Attachment 3B Solenoid Error (F72)
4.44 Attachment 3 Solenoid Leak (F74)
4.45 Unload Solenoid Error (F75)
4.46 Unload Solenoid Leak (F79)
4.47 Transmission Forward Solenoid Error (F85)
4.48 Transmission Backward Solenoid Error (F87)
4.49 Transmission Solenoid Leak (F89)
4.50 VCM3-OP Memory Check Error (F91)
4.51 VCM3-OP Battery Voltage Error (F92)
4.52 VCM3-OP Speed Change Solenoid 1 Error (F93)
4.53 VCM3-OP Speed Change Solenoid 2 Error (F94)
4.54 VCM3-OP Speed ChangeSolenoid Leak (F95)
4.55 VCM3-OP Setting Error (F96)
4.56 VCM3-OP Communication Error (F97)
Chapter 5 TILTABLE SYSTEM
1. Specifications
2. Structure
2.1 Outline
2.2 Hand Pump
2.3 Tiltable Cylinder
2.4 Hydraulic Latch A and B
3. Filling Fluid
4. Bleeding Tiltable Cylinder
5. Hydraulic Circuit Schematic
6. Service Data
6.1 Tiltable Cylinder
6.2 Cylinder bracket
6.3 Pin A and B
TOC-4
Chapter 6 POWER TRAIN
1. Specifications
2. Structure
3. Reduction Ratio
4. Removal and Installation of Engine and Transmission Unit
4.1 Preparation
4.2 Removing Covers and Engine Control Cables
4.3 Removing Harnesses
4.4 Disconnecting Pipes and Hoses
4.5 Preparation for Removal of Engine and Transmission Unit
4.6 Removing Engine and Transmission
5. Installing Engine and Transmission
5.1 Suggestions for Installation
5.2 Capacity and Brand of Oils and Cooling Water
Chapter 7 3-SPEED POWERSHIFT TRANSMISSION
1. Specifications
2. Structure
2.1 Torque converter
2.2 Transmission
2.3 Power Flow - Forward
2.4 Power Flow - Reverse
2.5 Control Valve
2.6 Main Regulator Valve
2.7 3-Speed Transmission Hydraulic Circuit
2.8 Automatic 3-Speed Shift Mechanism
2.9 Torque Converter Drive Control
3. Removing Transmission
3.1 Removing Torque Converter
4. Installing Transmission
5. Disassembling Torque Converter
5.1 Disassembly Sequence
5.2 Suggestions for Disassembly
6. Inspecting and Correcting Torque Converter
7. Reassembling Torque Converter
7.1 Reassembly Sequence
7.2 Suggestions for Torque Converter Reassembly
8. Disassembling Transmission
8.1 Disassembly Sequence of Control Valve and External Parts
8.2 Disassembling Transmission Cover and Output, 1st/3rd Clutch,
Forward Clutch, Reverse Clutch, and Input Shafts.
8.3 Suggestions for Transmission Disassembly
8.4 Disassembly Sequence of Stator Shaft and Oil Pump
8.5 Suggestions for Oil Pump Disassembly
8.6 Disassembly Sequence of Forward Clutch Shaft Assembly
8.7 Suggestions for Disassembly of Forward Clutch Shaft Assembly
8.8 Disassembly Sequence of 1st/3rd Speed Clutch Shaft Assembly
8.9 Suggestions for Disassembly of 1st/3rd Clutch Shaft Assembly
8.10 Disassembly Sequence of Reverser Clutch Shaft Assembly
8.11 Suggestions for Disassembly of Reverse Clutch Shaft Assembly
9. Inspecting and Correcting Transmission
10. Reassembling Transmission
10.1 Reassembly Sequence of Forward Clutch Assembly (1st/3rd Clutch Shaft Assembly)
(Reverse Clutch Shaft Assembly)
10.2 Suggestions for Reassembly of Forward Clutch Assembly (1st/3rd Clutch Shaft Assembly)
(Reverse Clutch Shaft Assembly)
10.3 Reassembly Sequence of StatorShaft and Oil Pump
10.4 Suggestions for Stator Shaft and Oil Pump Reassembly
10.5 Reassembly Sequence of Input Shaft,Forward Clutch, 1st/3rd Speed Clutch, Reverse Clutch,
Output Shafts and Transmission Cover
10.6 Suggestions for Reassembly of Input Shaft, Forward Clutch, 1st/3rd Spe Clutch, Reverse Clutch,
OutputShafts and Transmission Cover
10.7 Reassembly Sequence of Control Valve and External Parts
11. Disassembling Control Valve
11.1 Disassembly Sequence
12. Inspecting and Correcting Control Valve
13. Reassembling Control Valve
13.1 Preparation
13.2 Reassembly Sequence
13.3 Suggestions for Control Valve Reassembly
14. Disassembling Main Regulator Valve
14.1 Disassembly Sequence
15. Inspecting and Correcting of Main Regulator Valve
16. Reassembling Main Regulator Valve
16.1 Suggestions for Reassembly
17. Adjustment
17.1 Adjusting Brake Pedal and Inching Pedal
17.2 Measuring Oil Pressure
17.3 Measuring Stall Speed
17.4 10 m (33 ft) Acceleration Test
17.5 Testing Automatic 3-Speed Transmission Functions
18. Troubleshooting
19. Service Data
19.1 Stall Speed and Oil Pressure
19.2 Pump Boss
19.3 Pilot Boss
19.4 Oil Pump
19.5 Stator
19.6 Flexible Plate
19.7 Clutch
19.8 Input Shaft, Forward, Reverse, and 1st/ 3rd Speed Clutch Shafts, and Servo Case
19.9 Backlash of Gears
19.10 Control Valve
19.11 Main Regulator Valve
19.12 Inching Pedal Control
Chapter 8 FRONT AXLE AND REDUCTION DIFFERENTIAL
1. Specifications
2. Structure
2.1 Outline
2.2 Reduction Differential
3. Removing Front Wheels
3.1 Preparation
3.2 Removal Sequence
3.3 Suggestions for Removal
4. Installing Front Wheels
4.1 Suggestions for Installation
5. Removing Front Axle and Reduction Differential
5.1 Preparation
5.2 Removal Sequence
5.3 Suggestions for Removal
6. Installing Front Axle and Reduction Differential
6.1 Suggestions for Installation
7. Removing Reduction Differential
7.1 Preparation
7.2 Removal Sequence
7.3 Suggestions for Removal
8. Installing Reduction Differential
8.1 Suggestions for Installation
9. Disassembling Hub Reduction
9.1 Preparation (On-truck Condition)
9.2 Disassembly Sequence of Hub Reduction
9.3 Suggestions for Hub Reduction Disassembly
9.4 Disassembly Sequence of Wheel Brake
9.5 Suggestions for Wheel Brake Disassembly
10. Inspecting and Correcting Hub Reduction
10.1 Reassembly Sequence of Wheel Brake
10.2 Suggestions for Wheel Brake Reassembly
10.3 Reassembly Sequence of Hub Reduction
10.4 Suggestions for Reassembling of Hub Reduction
11. Disassembling Reduction Differential
11.1 Preparation
11.2 Disassembly Sequence of Differential Gear Assembly
11.3 Suggestions for Disassembling of Differential Gear Assembly
11.4 Disassembly Sequence of Reduction and Parking Brake Assembly
11.5 Suggestions for Disassembling of Reduction and Parking Brake Assembly
11.6 Inspecting and Correcting Reduction and Parking Brake Assembly
12. Reassembling Reduction Differential
12.1 Reassembly Sequence of Differential Gear Assembly
12.2 Suggestions for Reassembling Differential Gear Assembly
12.3 Adjusting Preload of Reduction Pinion
12.4 Adjusting the Contact Between Gear and PinionTeeth
12.5 Reassembly Sequence of Reduction and Parking Brake Assembly
12.6 Reassembling Reduction and Parking Brake Assembly
12.7 Assembly Sequence of Reduction Differential
12.8 Suggestions for Reassembling of Reduction Differential
13. Troubleshooting
14. Service Data
14.1 Front Axle
14.2 Reduction Differential
Chapter 9 REAR AXLE
1. Specifications
2. Structure
2.1 Rear Axle
2.2 Power Steering Cylinder
3. Removing Rear Wheel
3.1 Preparation
3.2 Removal Sequence
3.3 Suggestions for Removal
4. Installing Rear Wheel
4.1 Suggestions for Installation
5. Removing Rear Axle
5.1 Preparation
5.2 Removal Sequence
6. Installing Rear Axle
6.1 Suggestions for Installation
7. Disassembling Rear Axle Assembly
7.1 Disassembly Sequence
7.2 Suggestions for Removal
8. Reassembling Rear Axle
8.1 Reassembly Sequence
9. Disassembling Power Steering Cylinder
9.1 Disassembly Sequence
9.2 Suggestions for Disassembly
10. Inspecting and Adjusting Power Steering Cylinder
11. Reassembling Power Steering Cylinder
11.1 Reassembly Sequence
11.2 Suggestions for Reassembly
12. Adjustment
12.1 Measuring Minimum Turning Radius
13. Troubleshooting
14. Service Data
14.1 Rear Axle
14.2 Power Steering Cylinder
Chapter 10 BRAKE SYSTEM
1. Specifications
2. Structure
2.1 Outline of Wheel Brake System
2.2 Air Governor
2.3 Relay Valve
2.4 Brake Control Valve
2.5 Air Master
2.6 Wheel Brake
2.7 Parking Brake System
2.8 Parking Brake Lever
2.9 Parking Brake
3. Removing Wheel Brake
3.1 Preparation
3.2 Removal Sequence
3.3 Suggestions for Removal
4. Installing Wheel Brake
4.1 Suggestions for Installation
5. Disassembling Wheel Brake
5.1 Disassembly Sequence
5.2 Suggestions for Disassembly
6. Inspecting and Correcting Wheel Brake
7. Reassembling Wheel Brake
7.1 Reassembly Sequence of Wheel Brake
7.2 Suggestions for Reassembly
8. Disassembling Wheel Cylinder
8.1 Disassembly Sequence of Wheel Cylinder
9. Inspecting and Correcting Wheel Cylinder
10. Reassembling Wheel Cylinder
10.1 Suggestions for Reassembly
11. Disassembling Air Governor
11.1 Disassembly Sequence
12. Reassembling Air Governor
13. Disassembling Air Master
13.1 Disassembly Sequence
13.2 Suggestions for Disassembly
14. Reassembling Air Master
14.1 Suggestions for Reassembly
15. Disassembling Parking Brake
15.1 Disassembly Sequence
16. Inspecting and Correcting Parking Brake
17. Reassembling Parking Brake
17.1 Suggestions for Reassembly
18. Disassembling Brake Control Valve
18.1 Disassembly Sequence
19. Reassembling Brake Control Valve
19.1 Suggestions for Reassembly
20. Disassembling Air Dryer
20.1 Disassembly Sequence
21. Inspecting and Correcting Air Dryer
21.1 Scheduled Inspection of Air Dryer
22. Reassembling Air Dryer.
22.1 Suggestions for Reassembly
23. Adjustment and Operational Test
23.1 Inspecting Wheel Brake
23.2 Bleeding Brake System
23.3 Bleeding Brake Pedal
23.4 Inspecting Brake Control Valve
23.5 Adjusting Parking Brake
24. Troubleshooting
24.1 Wheel Brake
24.2 Parking Brake
24.3 Air Dryer
25. Service Data
25.1 Brake Pedal
25.2 Brake Control Valve
25.3 Air Master
25.4 Wheel Brake
25.5 Wheel Cylinder
25.6 Parking Brake Lever
25.7 Parking Brake Drum
25.8 Air Dryer
Chapter 11 STEERING SYSTEM
1. Specifications
2.1 Steering System
3.1 Main Components
3.2 Suggestions for Disassembly and Reassembly
4.2 Installing Steering Wheel
4.4 Removing Steering Valve
4.5 Installing Steering Wheel
4.7 Reassembling Tilt Lock Lever
5.1 Disassembly Sequence of Steering Valve
5.3 Inspection after Disassembly
6.1 Preparation
6.2 Reassembly Sequence of Steering Valve
Chapter 12 HYDRAULIC SYSTEM
1. Specifications
2. Structure
2.1 Hydraulic Line
2.2 Hydraulic Tank
2.3 Priority Valve
2.4 Control Valve
2.5 Lift and Tilt Cylinders
2.6 Flow Regulator Valve
3. Removing Control Valve
3.1 Preparation
3.2 Removal Sequence
3.3 Suggestions for Removal
4. Removing Lift Cylinders
4.1 Suggestions for Removal
5. Installing Lift Cylinders
5.1 Suggestions for Installation
6. Removing Tilt Cylinders
6.1 Preparation
6.2 Removal Sequence
6.3 Suggestions for Removal
7. Removing Gear Pump
8. Disassembling Gear Pump
8.1 Preparation
8.2 Disassembly Sequence
8.3 Suggestions for Disassembly
9. Inspecting and Correcting Gear Pump
10. Reassembling Gear Pump
10.1 Preparation
10.2 Suggestions for Reassembly
11. Installing Gear Pump
12. Disassembling Priority Valve
12.1 Disassembly Sequence
12.2 Suggestions for Disassembly
13. Reassembling Priority Valve
13.1 Suggestions for Reassembly
14. Disassembly and Reassembly of Control Valve
14.1 Disassembly Sequence
14.2 Reassembly Sequence
14.3 Suggestions for Reassembly
14.4 Disassembling Inlet Valve Assembly
14.5 Cleaning and Inspecting Inlet Valve Assembly
14.6 Reassembling Inlet Valve Assembly
14.7 Disassembly and Reassembly of Tilt Valve Assembly
14.8 Cleaning and Inspection of Tilt Valve Assembly
14.9 Reassembling Tilt Valve Assembly
14.10 Disassembly and Reassembly of AttachmentValve Assembly
14.11 Cleaning and Inspecting Attachment Valve Assembly
14.12 Reassembling Attachment Valve Assembly
15. Disassembling Flow Regulator Valve
15.1 Disassembly Sequence
16. Inspecting and Correcting Flow Regulator Valve
17. Reassembling Flow Regulator Valve
18. Disassembling Lift Cylinder
18.1 Disassembly Sequence
18.2 Suggestions for Disassembly
19. Inspecting Cylinder
20. Reassembling Lift Cylinder
20.1 Reassembly Sequence
20.2 Suggestions for Reassembly
21. Disassembling Tilt Cylinder
21.1 Disassembly Sequence
21.2 Suggestions for Disassembly
22. Inspecting and Correcting Tilt Cylinder
23. Reassembling Tilt Cylinder
23.1 Reassembly Sequence
23.2 Suggestions for Reassembly
24. Inspecting and Adjusting Hydraulic System
24.1 Hydraulic Oil
24.2 Test Operation of Gear Pump
24.3 Control Valve
24.4 Adjusting Main Relief Valve
24.5 Checking Priority Valve Function
25. Tests
25.1 Vertical Drift Test
25.2 Tilt Drift Test
26. Troubleshooting
27. Service Data
27.1 Gear Pump
27.2 Control Valve
27.3 Priority Valve
27.4 Hydraulic Tank
27.5 Flow Regulator Valve
27.6 Lift Cylinder
27.7 Tilt Cylinder
Chapter 13 MASTS AND FORKS
1. Specifications
2. Structure
3. Removing Mast and Lift Bracket
3.1 Removal Sequence
3.2 Suggestions for Removal
4. Disassembling Mast Assembly
4.1 Disassembly Sequence
4.2 Suggestions for Disassembly
5. Inspecting and Correcting Mast Assembly
6. Reassembling Mast Assembly
6.1 Suggestions for Reassembly
7. Adjusting Mast Assembly
8. Troubleshooting
9. Service Data
Chapter 14 FORK POSITIONER
1. Applicable Attachment Model
1.1 Simultaneous Move Fork Positioner
1.2 Independent Move Fork Positioner
2. Specifications
2.1 Fork Positioner
2.2 Applicable Fork Blade
3. Structure
4. Removing Fork Positioner
4.1 Preparation
4.2 Removal Sequence of Fork Positioner (Simultaneous Move Type)
4.3 Removal Sequence of Fork Positioner (Independent Move Type)
4.4 Suggestions for Removal of Fork Positioner
5. Inspecting and Correcting ForkPositioner
6. Installing Fork Positioner
6.1 Suggestions for Installation
7. Disassembling Fork Positioner Cylinder
7.1 Disassembly Sequence
7.2 Suggestions for Disassembly
8. Inspecting and Correcting Fork Positioner Cylinder
9. Reassembling Fork PositionerCylinder
9.1 Reassembly Sequence
9.2 Suggestions for Reassembly
10. Inspection and Adjustment after Reassembly of Fork Positioner
11. Troubleshooting
12. Service Data
Chapter 15 Service Data
1. Maintenance Schedule
2. Tightening Torques for Standard Bolts and Nuts
2.1 Metric fine thread
2.2 Metric coarse thread
3. Periodic Replacement Parts
3.1 Location of Periodic Replacement Parts
4. Lubrication Instructions
4.1 Lubrication Chart
4.2 Recommended Fuels and Oils
4.3 Adjustment Value and Oil Quantities
5. Weight of Major Devices
6. Special tools




Keywords: fd150anz;fd135nz;fd120nz;fd100nz
File Size: 20.3 MBytes

Buy button
Do you want to become a reseller/affiliate and get 10.0% provision?
Embed: Create JavaScript Mobile Tag Widgets for your homepage
Mitsubishi Diesel Forklift Truck: FD100NZ, FD120NZ, FD135NZ, FD150ANZ Workshop Service Manual Mitsubishi Diesel Forklift Truck: FD100NZ, FD120NZ, FD135NZ, FD150ANZ Workshop Service Manual fd150anz;fd135nz;fd120nz;fd100nz 280197674 29.00 belgreen Fresh Download Available!